J641气动截止阀

  • 微信咨询此产品
  • 质量稳定
  • 价格合理
  • 交货快捷
  • 宏伟阀门为您提供全套工程阀门解决方案
  • 销售:0577-6737 1610
  • 传真:0577-6716 2821
  • 地址:浙江省永嘉县瓯浦二村坎下(坎下工业区)

详细介绍

主要用途
本阀采用双作用气缸,利用上腔进气或者下腔进气来远距离控制阀门,操作方便、灵活。气缸使用介质:压缩空气,氮气。结构简单、制造和维护方便;工作行程小,启闭时间短;关闭体(阀瓣)与阀座密封面采用锥面密封,关闭力小,耐冲刷,密封可靠。阀座可为更换式阀座,可任意组合与关闭件密封面材料的配对,以满足工况要求,延长使用寿命

结构特点
1、选材考究,符合国内、外相关标准,结构合理,造型美观。
2、阀瓣、阀座密封面采用铁基合金堆焊或司太立(Stellite)钴基硬质合金堆焊而成,耐磨、耐高温、耐腐蚀、抗擦伤性能好,使用寿命长。
4、阀杆经调质及表面氮化处理,有良好的抗腐蚀性和抗擦伤性。
5、可采用各种配管法兰标准及法兰密封面型式,满足各种工程需要及用户要求。
6、阀体材料品种齐全,填料、垫片可根据实际工况或用户要求合理选配,能适用于各种压力、温度及介质工况。
7、倒密封采用螺纹连接密封座或本体堆焊奥氏体不锈钢而成,密封可靠,更换填料可在不停机情况下进行,方便快捷,不影响系统运行。

应用规范

设计与制造

GB/T12235

连接端尺寸

结构长度

GB/T12221

法兰尺寸

JB/T79

检验与试验

JB/T9092

材 料

碳钢

GB/T12229

不锈钢
GB/T12230

合金钢

Q/ZB66

标 志

GB/T12220

供 货

JB/T7928

主要零件材料及主要用途

阀体

阀盖

阀瓣

密封圈

阀杆

填料

适用介质

适用温度
(≤℃)

WCB

WCB+D507MO

 D577

2Crl3

柔性石墨

水、油品、蒸汽

425

ZGlCrl8Ni9Ti

0Crl8Ni9Ti
Stellite12

Stellite6

lCrl8Ni9Ti

PTFE

硝酸类

200

ZGlCrl8Ni2Mo2Ti

CF8M
Stellite12

lCrl8Ni2Mo2Ti

lCrl8Ni2Mo2Ti

PTFE

磷酸类、
碱类、混酸

200

ZG00Crl7Nil4M02
CF3M
Stellite12
Stel1ite6
316L
PTFE
磷酸类
尿素、甲铵液
200
ZGlCr5MO

ZGlCr5MO
Stellite12

Stel1ite6

25Cr2Mo1VA

柔性石墨

水、油品、蒸汽

550

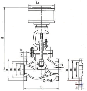
主要外形尺寸、连接尺寸及质量

 

公称压力
PN(MPa)

公称通径
DN(mm)

标准值

参考值

L

D

D1

n2

D6

b

f

f1

Z-φd

L1

H

1.6

50

230

160

125

100

 
 

16

3
 
 

4-φ18

185

645

65

290

180

145

120

 
 

18

3
 
 

4-φ18

232

690

80

310

195

160

135

 
 

20

3
 
 

8-φ18

232

715

100

350

215

180

155

 
 

20

3
 
 

8-φ18

232

770

125

400

254

210

185

 
 

22

3
 
 

8-φ18

283

780

150

480

280

240

210

 
 

24

3
 
 

8-φ23

283

810

200

600

335

295

265

 
 

26

3
 
 

12-φ23

283

967

250

622

405

355

320

 
 

30

3
 
 

12-φ25

283

1143

300

698

460

410

375

 
 

30

4
 
 

12-φ25

283

1292

2.5

50

230

160

125

100

 
 

20

3

 
 

4-φ18

185

645

65

290

180

145

120

 
 

22

3

 
 

8-φ18

232
690

80

310

195

160

135

 
 

22

3

 
 

8-φ18

232
715

100

350

230

190

160

 
 

24

3

 
 

8-φ23

232
770

125

400

270

220

188

 
 

28

3

 
 

8-φ25

283
780

150

480

300

250

218

 
 

30

3

 
 

8-φ25

283
810

200

600

360

310

278

 
 

34

3

 
 

12-φ25

283
967

250

622

425

370

332

 
 

36

3

 
 

12-φ30

283
1143

300

698

485

430

390

 
 

40

4

 
 

16-φ30

283
1292

4.0

50

230

160

125

100

88

20

3

4

4-φ18

185

645

65

290

180

145

120

110

22

3

4

8-φ18

232
690

80

310

195

160

135

121

22

3

4

8-φ18

232
715

100

350

230

190

160

150

24

3

4.5

8-φ23

232
770

125

400

270

220

188

176

28

3

4.5

8-φ25

283
782

150

480

300

250

218

204

30

3

4.5

8-φ25

283
875

200

600

375

320

282

260

38

3

4.5

12-φ30

283
1160

 

 

产品尺寸

温馨提示:“J641气动截止阀”所有文字、数据、图片均只适用于参考 实际图片数据还需要进一步与我司(宏伟阀门)核对。
如需与实物相吻合的性能参数、结构尺寸参数等详情请来电来函索取。
电话:0577-6737 1610    微信手机同号:136 2655 0179
  • 宏伟二维码微信产品咨询了解
  • 联系我们
  • 公司地址:浙江省永嘉县瓯北街道双塔路2839号内4#-1(宏伟阀门厂)
  • 浙江基地:温州瓯北东瓯工业区
  • 销售:0577-6737 1610
  • 传真:0577-6731 0589
  • 邮箱:1253729464@qq.com
© 2017 永嘉宏伟阀门厂 版权所有 浙ICP备05040190号-5
Top

[关闭]免费接听宏伟销售工程师电话

输入手机或固定电话号码,点击“免费咨询”按钮后,
我们的服务人员会在15秒内回拨您。

手机请直接输入:如 13626550179
座机前请加区号:如:057767371610
我们已对本次通话全程加密,您的通话费用我们已经帮您支付,请放心接听!
免费通话所产生的费用由我们来支付,请放心接听!
销售热线:0577-6737 1610